全塑性モーメントとは、断面がすべて塑性化したときのモーメントのことです。. 今回は、平均照度の求め方についてです。 光束法による平均照度の計算式 光束法は、部屋の全般照明による照度計算に使用される手法の一つで、照明器具が持つ固有の光束.. この時の曲げモーメントのことを 降伏モーメントM y M y といいます。. 塑性変形では、 応力が降伏強度σy σ y で頭打ちになってひずみ(変形)だけが進みます 。. 応力が降伏応力を超えない ということがポイントです。. 鋼材の場合、厳密には降伏応力より.

建築塑性力学入門 04 部材の塑性変形 YouTube

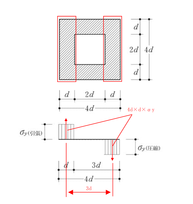
一級建築士:全塑性モーメント、例題1(構造) 思考酒後

一級建築士:全塑性モーメント、例題1(構造) 思考酒後

建築塑性力学入門 06 骨組の極限解析 YouTube

【図解】曲げモーメントとは?計算方法・公式をわかりやすく解説│プラントエンジの樹

一級建築士【構造力学】全塑性モーメント解き方 YouTube

建築塑性力学入門 02矩形柱断面の全塑性モーメント 20200603Ver YouTube

【構造力学の基礎】梁の塑性崩壊【第22回】 ゆるっと建築ライフ

68 全塑性モーメントの求め方 YouTube

【一級建築士試験(構造)】全塑性モーメント けんてくブログ

圧縮も働く全塑性モーメント ミカオ建築館

構造3回目予習②(曲げのみが作用する場合の全塑性モーメント) YouTube

中立軸と断面1次モーメント・全塑性モーメント outlier

建築士試験【構造072】降伏開始曲げモーメントと全塑性モーメント(vol.0234) YouTube

全塑性モーメントの考え方と計算方法【一級建築士の構造】 一級建築士への道

全塑性モーメントの考え方と計算方法【一級建築士の構造】 一級建築士への道

一級建築士:全塑性モーメント、例題2(構造) 思考酒後

一級建築士:全塑性モーメント、例題2(構造) 思考酒後

降伏モーメントと全塑性モーメントの求め方をわかりやすく解説【構造設計一級建築士が解説】一級建築士構造 YouTube

許容曲げモーメントと終局曲げモーメント④ 石垣島から合格物語
#二級建築士 #構造力学 #わかりやすい解き方終盤の例題解説(5:35 ごろから)の解説が間違っていました。テロップにて修正しております。ご迷惑.. まずは,基本となる 矩形断面の24011 で,「基本的な問題の解き方」をマスターしてしまいましょう.. その次には, 22011,02011,25011のようなH型 や, 28011,30011のようなロ型 をマスターしていきましょう!. 学習のポイント. この「全塑性モーメント」につい.